Metallized ceramic bushings and Ceramic to Metal Assemblies
Metallized ceramic bushings are widely used in the joining process of ceramics and metals. Ceramics have excellent insulation properties and can be well combined with metals through the metallization process. In addition to standard bushings, INNOVACERA is available in many custom shapes and sizes.

INNOVACERA also has brazing capabilities and can provide a one-stop service from ceramics to brazed components. This serivce allows us to offer finished hermetically sealed ceramic terminals for assembly.

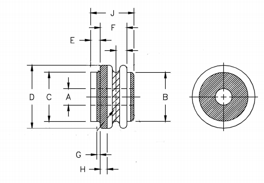
| Part # | D | A | J |
| IN-CM-400 | 0.494 | 0.143 | 0.309 |
| IN-CM-400-1 | 0.494 | 0.169 | 0.309 |
| IN-CM-400-1M | 0.494 | 0.228 | 0.309 |
| IN-CM-400-2 | 0.562 | 0.200 | 0.375 |
| IN-CM-400-2M | 0.562 | 0.250 | 0.375 |
| IN-CM-400-3 | 0.619 | 0.260 | 0.403 |
| IN-CM-400-4 | 1.000 | 0.320 | 0.500 |
| IN-CM-400-5 | 0.994 | 0.447 | 0.497 |
| IN-CM-400-6 | 0.556 | 0.200 | 0.372 |
| IN-CM-400-7 | 1.05 | 0.51 | 0.497 |
| IN-CM-400-8 | 0.744 | 0.265 | 0.372 |
| IN-CM-400-8-1 | 0.744 | 0.302 | 0.372 |
| IN-CM-400-8-2 | 0.750 | 0.344 | 0.375 |
| IN-CM-400-9 | 0.994 | 0.382 | 0.497 |
| IN-CM-400-9-1 | 0.994 | 0.382 | 0.497 |
| IN-CM-400-10 | 1.75 | 0.76 | 0.625 |
| IN-CM-400-12 | 0.556 | 0.200 | 0.278 |
| IN-CM-400-14 | 0.562 | 0.260 | 0.375 |

Comments
Post a Comment